

旋轉蒸發儀
Q:如何選擇玻璃套裝A,B和E?
A:A套為蒸餾效率高的基礎款,價格也較低。而B/E套為縱型冷凝管,安裝需求空間較小。如通風柜內或是多臺設備在試驗臺上使用時,通常選擇B套(冷凝液積留及逆流防止)或E套。
Q:請告知保溫管的種類。
A:有軟管和硬管兩種選擇。軟管分為兩種,OCF62(使用溫度范圍:‒20~80°C硅膠材質)有效防止表面結露,保溫性能較高。OCF12(使用溫度范圍:‒20~80°C聚乙烯材質)為便于布線的標準型。硬管OCF78(使用溫度范圍:‒20~60°C聚氨酯材質)為快插式連接,無需準備抱箍及接頭。
Q:隔膜式真空泵適用于哪些場合?
A:適用于含有大量水蒸汽或有機溶劑蒸汽的氣體排氣(減壓)。N820G主要設計使用于旋轉蒸發儀的減壓,但也可用于其他減壓過濾或脫泡等各種應用。
Q:溶劑回收裝置的使用用途是什么?
A:主要作為旋轉蒸發儀的二次排氣冷阱連接在真空泵的出口側使用,也可以作為小型溶劑回收裝置,使用于各種實驗。
Q:真空控制器VR102S-B是否可以用于RE212-B以外的旋蒸蒸發儀?
A:VR102S-B可以作為真空控制器與其他旋轉蒸發儀連接使用,但無法實現與RE212-B系列聯動運行的類似功能。
Q:蒸餾瓶類可以選擇非標準品使用么?
A:蒸餾瓶在運行時會高速旋轉,標準品設計晃動最小。其他的蒸餾瓶就算接口尺寸相同可以安裝,但可能因為晃動問題導致設備故障。請務必選擇標準品使用。
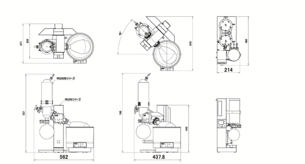
Q:有旋轉蒸發儀(含水浴,玻璃套裝B),標準支架 (含真空控制器,真空泵及排氣冷阱套裝)的圖紙嗎?
A:請參照如下圖紙。正面安裝時寬幅為 562mm,斜角 45°安裝時 寬幅減少到 437.8mm,是多臺同時使用場景下的理想設計。

真空控制器 VR102S
Q:真空控制器VR102S可以連接到RE212以外的旋轉蒸發儀上使用嗎 ?
A:VR102S可以用作真空控制器來使用,但是與RE212系列的聯動運行操作無法使用。
Q:真空控制器VR102S的清潔功能如何使用?
A:VR102S的清潔功能是在運行結束恢復常壓后,根據運行前預設的清潔時間,采用抽氣方式自動清潔真空管路。尤其在使用旋轉蒸發儀處理有機溶劑時,實驗停止后殘留蒸汽會凝結,使用清潔功能可有效去除殘留的有機蒸汽并干燥。
Q:如何選擇運行模式?
A:
-Manual 模式 按照設定的真空度和設定的遲滯幅度連續運行。

-Gradient 模式 為了防止暴沸,在減壓的過程中,逐漸將壓力降低至設定值。
梯度運行的起始點(壓力、時間),會根據設定壓力值自動計算。

-Auto 模式 應對壓力設定值不明的溶劑,檢測減壓時的壓力變化,通過控制梯度操作以防止暴沸。 梯度運行的起始點(壓力、時間),會根據設定壓力值自動計算。
真空控制電磁閥 OVR10
Q:如何通過控制電磁閥實現壓力變化?
A:使用OVR10會實現如下圖所示穩定的壓力變化控制。

但是,如果沒有OVR10則不能使用【Gradient模式】及【Auto模式】。
其使用條件為:
-溶劑:丙酮(約500mL)
-冷卻水:5℃ -水浴溫度:40℃ -燒瓶轉速:100 rmp
VR102S設置 : -運行模式:Manual模式 -設定壓力:200 hPa -遲滯:1 hPa
溶劑回收裝置
Q:溶劑回收裝置的用途是什么?
A:溶劑回收裝置的主要用途是作為旋轉蒸發儀所產生蒸汽的二次回收,連接在真空泵的出口處。除此之外,也可作為小型的溶劑回收裝置使用在各種實驗中。